湖南腾鸿
网站首页
关于我们
公司简介
公司荣誉
信息公示
新闻动态
产品展示
铝用阳极
余热发电
企业文化
公司活动
文化建设
招聘信息
联系我们
信息公示
你的位置:
首页
>
关于我们
>
信息公示
全部
公司简介
公司荣誉
信息公示
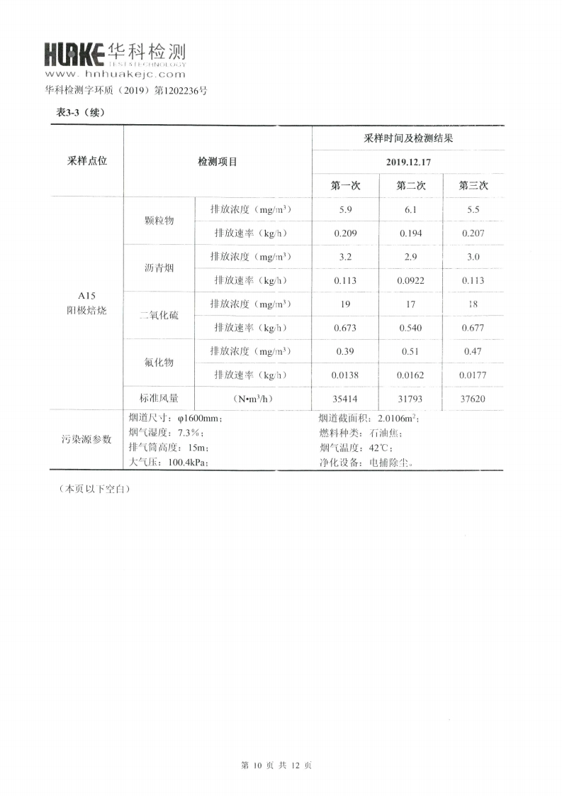
2019年第四季度检测报告
2020-04-13 13:59:07
为您推荐
2021年第一季度检测报告
2023年第四季度CEMS比对监测报告
湖南腾鸿新材料有限公司土壤、地下水检测
土壤检测报告
湖南腾鸿新材料有限公司16万吨/年炭素阳极升级改造为40万吨
知道创宇云安全
知道创宇云安全